
二极管
概念
一种由半导体材料制成的具有单向导电性能的电子元器件
- 半导体:导电能力介于导体和绝缘体之间的物质
组成
由一个由P型半导体和N型半导体形成的PN结加上相应的电极引线及管壳封装构成
- N型半导体:电子型半导体,自由电子浓度远大于空穴浓度的杂质半导体
- P型半导体:空穴型半导体,以带正电的空穴导电为主
工作原理
PN结加正向电压时,呈现低电阻,具有较大的正向扩散电流;PN结加反向电压时,呈现高电阻,具有很小的反向漂移电流
PN结具有单向导电性
分类
PN结型二极管(双极型)
| 种类 | 用途 |
|---|---|
| 整流二极管 | 整流 |
| 开关二极管 | 整流 |
| 快速恢复二极管(FRD) | 整流 |
| 齐纳二极管 稳压用 | 稳压 |
| 齐纳二极管 保护用 | 稳压 |
| ESD保护二极管(TVS) | 稳压 |
| 波段开关二极管*PIN二极管 | 高频 |
| 二极管整流桥 | 整流 |
| 阶跃恢复二极管(SRD) | 整流 |
| 雪崩二极管(ABD) | 稳压 |
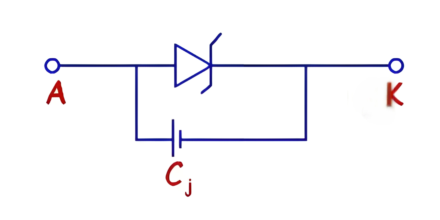
| 变容二极管 | 电容 |
金属-半导体接触二极管(单极型)
| 种类 | 用途 |
|---|---|
| 肖特基二极管(SBD) | 整流 |
| SiC肖特基二极管(SiC SBD) | 整流 |
| 检波肖特基二极管 | 高频 |
PN结二极管光半导体
- 贴片LED
- 激光二极管
- 光电二极管
结型FET(JFET) - 恒流二极管(CRD)
特性
正向
- 导通电压:正向超过某一数值后,二极管才有明显的正向电流。室温下,硅管的Vth约为0.5V,锗管的Vth约为0.1V
- 大于导通电压的区域称为==导通区==。当流过二极管的电流I比较大时,二极管两端的电压几乎维持恒定,硅管约为 0.6~0.8V(通常取 0.7V),锗管约为 0.2~0.3V(通常取 0.2V)
反向
- 在反向电压小于反向击穿电压的范围内,由少数载流子形成的反向电流很小,而且与反向电压的大小基本无关。此部分为==截止区==。
由二极管的正向与反向特性可直观的看出:①二极管是非线性器件;②二极管具有单向导电性
反向击穿
当反向电压增加到某一数值VBR时,反向电流急剧增大的现象
温度影响
温度升高会导致正向特性左移(导通电压降低,正向压降降低),反向特性下移(反向电流增加)
击穿
二极管击穿分为电击穿和热击穿,电击穿过程是可逆的,热击穿是任何时候都需要避免的
- 电击穿
- 雪崩击穿
PN结掺杂浓度低,所加反向电压较高,击穿电压与浓度成反比(一般需要比较高的电压>6V) - 齐纳击穿
PN结掺杂浓度高,所加反向电压较低,阻挡层很薄,如稳压管(齐纳二极管)
采取适当的掺杂工艺,可将硅PN结的雪崩击穿电压控制在8~1000V,而齐纳击穿电压低于5V
- 热击穿
使用二极管过程中,由于反向电流和反向电压过大,使得PN结功耗变大,超过PN结的允许功耗,温度上升直到过热使PN结击穿的现象
热击穿后二极管将发生永久性损坏
参数
- IO(平均整流电流 PEAK Average Rectified Output Current)
实际应用电流部分设计参考(网络,库中这个参数并无重点标记,部分规格书无此参数) - IF(最大整流电流Forward Continuous Current)
二极管长期连续工作时允许通过的最大正向电流值 - VRRM(最大可重复峰值反向电压Maximum Repetitive Peak Reverse Voltage)==库中填此参数==
包括所有重复瞬态电压,不包括不重复瞬态电压
通常与电路相关,比如交流信号每个周期的最高点即重复峰值电压 - VRM(反向峰值电压Peak Reverse Voltage)
二极管两端允许施加的最大反向电压。若大于此值,则反向电流(IR)剧增,二极管的单向导电性被破坏,从而引起反向击穿。通常取反向击穿电压(VBR)的一半作为VRM
反向不重复峰值电压Non-Repetitive Peak Reverse Voltage,通常由外部因素引起,半导体整流二极管两端出现的任何不重复最大瞬时值的瞬态方向电压。可以认为就是二极管最高反向工作电压==待确认==
- IR(反向电流Reverse Current/反向漏电电流Reverse Leakage Current)
- 反向电流是指二极管在规定的温度和反向电压作用下,流过二极管的反向电流。
- 不同的反向电压下反向电流不同。
- 反向电流越小,管子的单方向导电性能越好。
- 反向电流与温度密切相关,大约温度每升高100℃,反向电流增大一倍。
- 硅二极管比锗二极管在高温下具有较好的稳定性。
- CT(结电容Diode Junction Capacitance)
- 结电容的大小直接表示了二极管的频率特性。
- 由于结电容的存在,当频率高到某一程度时,容抗小到使PN结短路,导致二极管失去单向导电性,不能工作
- PN结面积越大,结电容也越大,越不能在高频情况下工作
- IFSM(正向浪涌电流Forward Surge Current)
允许流过的瞬间电流,超过这个值会损坏二极管 - TRR(反向恢复时间Reverse Recovery Time)
从正向电压变成反向电压时,电流一般不能瞬时截止,要延迟一点时间,这个时间就是反向恢复时间
这个参数决定了二极管的开关速度
判别
外观
原理图和PCB丝印
封装
肖特基二极管
(32 封私信 / 80 条消息) 肖特基二极管比普通二极管好在哪里? - 知乎
金属与半导体接触形成==金属-半导体结==(非PN结),从而形成了肖特基势垒。N型半导体作为阴极,金属侧作为二极管的阳极,这种肖特基势垒导致低正向电压降和非常快速的开关。
也称为金属-半导体(接触)二极管或表面势垒二极管,是一种热载流子二极管
是一种具有低正向压降和非常快速的开关动作的半导体二极管

特点
开关频率高,反向恢复时间极短(可以小到几纳秒),正向压降低,正向导通压降仅0.4V左右
普通二极管的电压压降在0.6V-1.7V之间,而肖特基二极管的电压降通常在0.15V-0.45V之间。这种较低的电压降提供了更好的系统效率和更高的开关速度。

内部结构
肖特基二极管是通过将掺杂的半导体区域(通常是N型)与金属(例如金、银、铂)连接起来而形成的。不是PN结,而是金属-半导体,如下图所示。

等效电路

优缺点
优点:
- 低正向导通压降
肖特基二极管的导通电压在硅二极管的0.2V-0.3V之间,而而标准硅二极管的导通电压在 0.6 到 0.7 伏之间。这使得它具有与锗二极管非常相同的开启电压。 - 快速恢复时间
由于存储电荷量少,恢复时间快,这意味着它可以用于高速开关应用。 - 低结电容
鉴于非常小的有源区域,通常由于在硅上使用线点接触,电容水平非常小。 - 高电流密度
肖特基二极管的耗尽区可以忽略不计。所以施加很小的电压就足以产生大电流。 - 噪音更小
与典型的PN结二极管相比,肖特基二极管产生的不需要的噪声更少。 - 性能更好
肖特基二极管将消耗更少的功率,可以轻松满足低压应用的要求。
缺点:
- 较高反向电流
由于肖特基二极管是金属半导体结构,反接电压时更容易漏电流。 - 较低最大反向电压
反向电压是当电压反向连接(从阴极到阳极)时二极管将击穿并开始传导大量电流的电压。这意味着肖特基二极管在不击穿和传导大量电流的情况下无法承受很大的反向电压。甚至在达到这个最大反向值之前,它仍然会泄漏少量电流。
特别之处
就像我们前面所说的一样,肖特基二极管的外观和性能与普通二极管非常相似,但肖特基二极管的一个独特特性是其极低的压降和高开关速度。为了更好地理解这一点,让我们将肖特基二极管和通用二极管连接到相同的电路并检查其性能。

在上图中,我们有两个电路,一个是肖特基二极管,另一个是典型的 PN 结二极管。
这些电路将用于区分两个二极管中的电压降。左边电路是肖特基二极管,右边是典型的PN结二极管。
两个二极管均采用 5V 供电。当电流从两个二极管流过时,肖特基二极管只有 0.3 伏的压降,为负载留下 4.7 伏,另一方面,典型的 PN 结二极管的压降为 0.7 伏,为负载留下 4.3 伏。
所以肖特基二极管的压降比传统的PN结二极管要低。下面为PN结二极管和肖特基二极管的一些区别。
| PN结二极管 | 肖特基二极管 |
|---|---|
| PN结二极管是双极器件,这意味着电流传导是由于少数和多数电荷载流子而发生的 | 与PN结二极管不同,肖特基二极管是单极器件,这意味着电流传导仅因多数电荷载流子而发生 |
| PN结二极管具有半导体-半导体结 | 肖特基二极管具有金属-半导体结 |
| PN结二极管压降大 | 肖特基二极管压降小 |
| 高状态损失 | 低状态损失 |
| 切换速度慢 | 切换速度快 |
| 高开启电压(0.7V) | 低开启电压(0.2V) |
| 高反向阻断电压 | 低反向阻断电压 |
| 低反向电流 | 高反向电流 |
作用与应用
肖特基二极管具多有用的应用,从整流、信号调节、开关、电压钳位、太阳能电池到 TTL 和 CMOS 逻辑门,主要是因为它们的低功耗和快速开关速度。TTL 肖特基逻辑门由出现在其逻辑门电路代码中某处的字母 LS 标识,例如 74LS00。
射频混频器和检波二极管
肖特基二极管因其高开关速度和高频率能力而在射频应用中独树一帜。鉴于此,肖特基势垒二极管用于许多高性能二极管环形混频器。除此之外,它们的低开启电压和高频能力以及低电容使它们成为射频检测器的理想选择。
功率整流器
肖特基势垒二极管也用于大功率应用中,作为整流器。它们的高电流密度和低正向压降意味着与使用普通 PN 结二极管相比,浪费的功率更少。这种效率的提高意味着需要消散的热量更少,并且可以在设计中加入更小的散热器。
电源或电路
肖特基二极管可用于负载由两个独立电源驱动的应用。一个示例可以是主电源和电池电源。在这些情况下,一个电源的电源不能进入另一个电源是必要的。这可以使用二极管来实现。然而,重要的是要最小化二极管上的任何电压降以确保最大效率。
与许多其他应用一样,鉴于其低正向压降,该二极管非常适合此应用。肖特基二极管往往具有较高的反向漏电流。这可能导致任何可能正在使用的传感电路出现问题。进入高阻抗电路的泄漏路径会导致错误读数。因此,这必须在电路设计中加以考虑。
电压钳位/削波电路
限幅器电路和钳位器电路通常用于波形整形应用。具有低压降特性的肖特基二极管可用作钳位二极管。
反向电流和放电保护
众所周知,肖特基二极管也被称为阻塞二极管,因为它阻止电流反向流动;可用作放电保护。例如,在应急闪光灯中,在超级电容器和直流电机之间使用了一个肖特基二极管,以防止超级电容器通过直流电机放电。
采样保持电路
正向偏置肖特基二极管没有任何少数电荷载流子,因此,它们可以比典型的 PN 结二极管更快地切换。因此使用肖特基二极管是因为它们从采样到保持步骤的转换时间较短,这会在输出端产生更准确的采样。
太阳能电池
肖特基二极管可以帮助最大限度地提高太阳能电池的效率,因为它们具有低正向电压降。它们还有助于保护电池免受反向充电。
- 感谢您的赞赏



